
| TM4214Specifications | ||||||
| Testltem | KV380 | Idle Current(11.1V) | 0.92A | |||
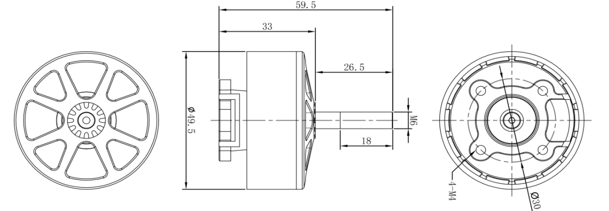
| Motor Dimensions | 49.5*33mm | Internal Resistance | 58mΩ | |||
| Framework | 12N14P | No.of cells | 5-8S | |||
| Bearing Shaft | 6mm | Propeller | GF1310 | |||
| Lead | 14#AWG 250mm | Peak Current(30.8V) | 36A | |||
| Weight | 182g(W/0 Silicone Wire) | Max.Power(30V) | 1080W | |||
| LOAD TEST DATA | ||||||
| item N | Propeller | VALTAGE (V) | Current (A) | Trust (g) | POWER(W) | Trust efficincy (G/W) |
| TM4214-380KV | GF1310*3叶桨 | 24 | 5 | 1008 | 120 | 8.40 |
| 24 | 10 | 1638 | 240 | 6.83 | ||
| 24 | 15 | 2152 | 360 | 5.98 | ||
| 24 | 20 | 2583 | 480 | 5.38 | ||
| 24 | 26.5 | 3150 | 636 | 4.95 | ||
| TM4214-380KV | GF1310*3叶桨 | 30 | 5 | 1102 | 150 | 7.35 |
| 30 | 10 | 1785 | 300 | 5.95 | ||
| 30 | 15 | 2415 | 450 | 5.37 | ||
| 30 | 20 | 2940 | 600 | 4.90 | ||
| 30 | 36 | 4200 | 1080 | 3.89 | ||
Testltem | KV510 | Idle Current(11.1V) | 1.3A | |||
| Motor Dimensions | 49.5*33mm | Internal Resistance | 40mΩ | |||
| Framework | 12N14P | No.of cells | 5-8S | |||
| Bearing Shaft | 6mm | Propeller | GF1310 | |||
| Lead | 14#AWG 250mm | Peak Current(30.8V) | 63.6A | |||
| Weight | 182g(W/0 Silicone Wire) | Max.Power(30V) | 1908W | |||
| LOAD TEST DATA | ||||||
| TM4214-510KV | GF1310*3叶桨 | 24 | 5 | 819 | 120 | 6.83 |
| 24 | 10 | 1470 | 240 | 6.13 | ||
| 24 | 15 | 1921 | 360 | 5.34 | ||
| 24 | 20 | 2352 | 480 | 4.90 | ||
| 24 | 47 | 4252 | 1128 | 3.77 | ||
| TM4214-510KV | GF1310*3叶桨 | 30 | 5 | 1050 | 150 | 7.00 |
| 30 | 10 | 1732 | 300 | 5.77 | ||
| 30 | 15 | 2352 | 450 | 5.23 | ||
| 30 | 20 | 2866 | 600 | 4.78 | ||
| 30 | 63.6 | 6667 | 1908 | 3.49 | ||

































