如果您对我们的产品感兴趣,想了解更多的细节,请在这里留言,我们会尽快给您回复。
可定制2807 1300KV FPV电机无人机无刷电机
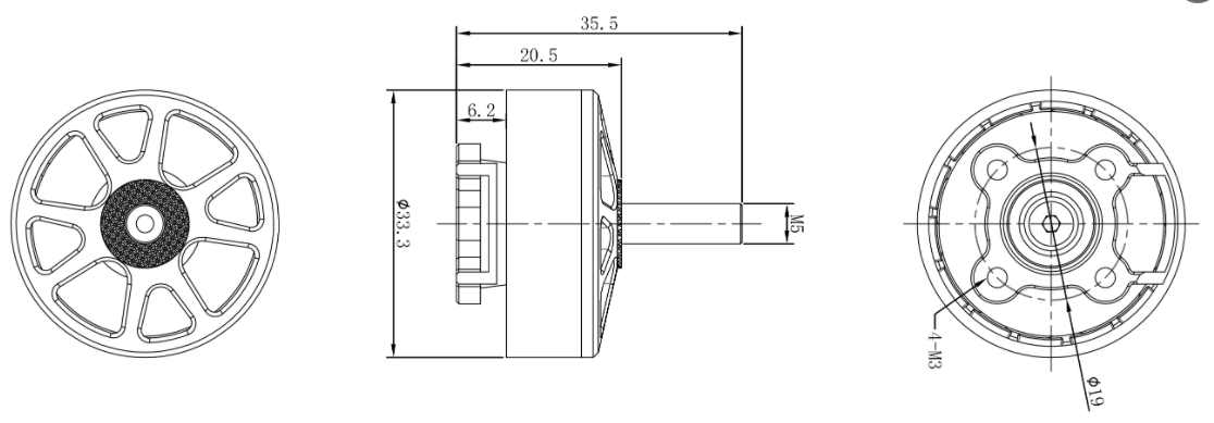
电机图纸:


| TM2807 Specifications参数 | ||||
| 测试项目 | KV1300 | Idle Current(10V) | 1.3A | |
| Motor Dimensions | 33.3*35.5mm | Internal Resistance | 66mΩ | |
| Framework | 12N14P | No.of cells | 3-6S | |
| Bearing Shaft | 5mm | Propeller | 7寸桨 | |
| Lead | 18#AWG 250mm | Peak Current(6S) | 45.2A | |
| Weight | 56g(W/0 Silicone Wire) | Max.Power(6S) | 1085W | |
| LOAD TEST DATA | ||||||
| item N | Propeller | VALTAGE (V) | Current (A) | Trust (g) | POWER(W) | Trust efficincy (G/W) |
| TM2807-1300KV | GF7035*3叶桨 | 24.0V | 5 | 588 | 120 | 4.9 |
| 24.0V | 10 | 977 | 240 | 4.07 | ||
| 24.0V | 15 | 1323 | 360 | 3.675 | ||
| 24.0V | 20 | 1554 | 480 | 3.24 | ||
| 24.0V | 42.5 | 2478 | 1020 | 2.43 | ||
| TM2807-1300KV | GF7040*3叶桨 | 24.0V | 5.1 | 609 | 122 | 4.99 |
| 24.0V | 10 | 1030 | 240 | 4.29 | ||
| 24.0V | 15 | 1333 | 360 | 3.7 | ||
| 24.0V | 20 | 1648 | 480 | 3.43 | ||
| 24.0V | 45.2 | 2614 | 1085 | 2.41 | ||