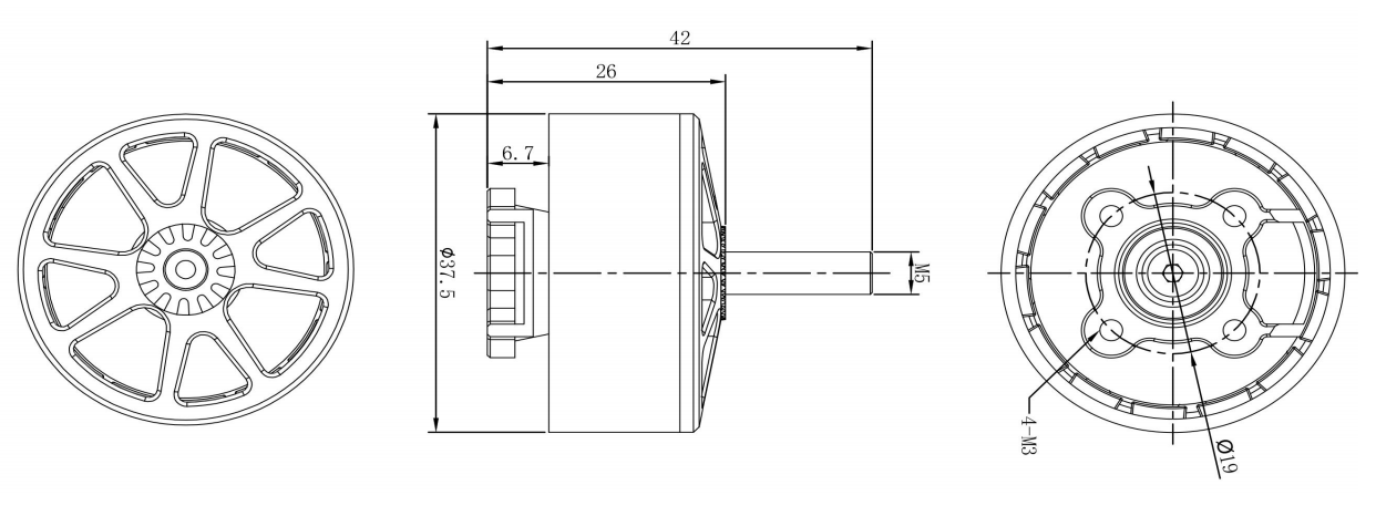
| TM3112 Specifications | ||||||
| Testltem | KV900 | Idle Current(10V) | 1.2A | |||
| Motor Dimensions | 37.5*42mm | Internal Resistance | 56mΩ | |||
| Framework | 12N14P | No.of cells | 3-6S | |||
| Bearing Shaft | 5mm | Propeller | 9”-10” | |||
| Lead | 18#AWG 250mm | Peak Current(6S) | 60.6A | |||
| Weight | 94.5(W/0 Silicone Wire) | Max.Power(6S) | 1454.4W | |||
| LOAD TEST DATA | ||||||
| item N | Propeller | VALTAGE (V) | Current (A) | Trust (g) | POWER(W) | Trust efficincy (G/W) |
| TM3112-900KV | GF9045*3叶桨 | 24.0V | 5 | 735 | 120 | 6.13 |
| 24.0V | 10 | 1292 | 240 | 5.38 | ||
| 24.0V | 15 | 1638 | 360 | 4.55 | ||
| 24.0V | 20 | 1995 | 480 | 4.16 | ||
| 24.0V | 49.3 | 3423 | 1183.2 | 2.89 | ||
| TM3112-900KV | GF1050*3叶桨 | 24.0V | 5 | 850 | 120 | 7.08 |
| 24.0V | 10 | 1354 | 240 | 5.64 | ||
| 24.0V | 15 | 1722 | 360 | 4.78 | ||
| 24.0V | 20 | 2068 | 480 | 4.31 | ||
| 24.0V | 60.6 | 3885 | 1454.4 | 2.67 | ||



































