TR-02F-12180 8.4V 24000rpm 有刷电机
马达特点:
低噪音
马达寿命长
高精度
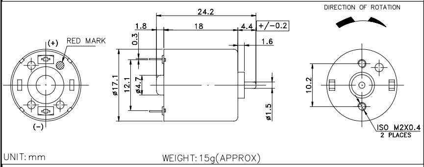
型号: TR-02F-12180
电压: 1.0-9.0V
重量: 15.0g

CONDITION @ 8.4V | TYPE类型 | VALUE数值 | TOLERANCE |
NO LOAD空载 | SPEED速度 (rpm) | 24000 | ±15% |
CURRENT电流 (A) | 0.08 | 0.1MAX | |
AT MAXIMUM EFFICIENCY 最大效率 | SPEED速度 (rpm) | 20156 | ±15% |
CURRENT电流 (A) | 0.42 | 0.5MAX | |
TORQUE 扭力(mN.m) | 0.82 | 0.65MIN | |
TORQUE扭力 (g.cm) | 8.33 | 6.66MIN | |
OUTPUT输出功率 (W) | 1.72 | 1.38MIN | |
EEF 效率(%) | 48.85 | 39.1MIN | |
STALL堵转 | TORQUE扭力 (mN.m) | 5.10 | 4.08MIN |
TORQUE扭力 (g.cm) | 52 | 41.6MIN | |
CURRENT电流 (A) | 2.2 | 2.64MAX |





























